首页
关于我们
产品中心
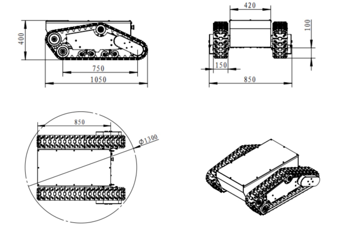
履带底盘
轮式底盘
液压动力底盘
吸附底盘
磁吸附底盘
真空负压底盘
光伏清洁机器人
幕墙清洁机器人
集中式光伏清洁机器人
分布式光伏清洁机器人
农业机器人
果园植保机
混动割草机
电动割草机
应急救援机器人底盘
排爆机器人
消防照明机器人
消防破拆机器人
消防转运机器人
消防排涝机器人
消防排烟机器人
消防灭火机器人
巡检机器人
管线巡检机器人
安防巡检机器人
石油化工防爆巡检机器人
电力巡检机器人
物流派送机器人
悬挂
避震器
悬架
履带
挂胶履带
橡胶履带
电源
铅酸电池
锂电池
控制器
导航控制器
底盘控制器
驱动器
FOC驱动器
直流无刷驱动器
电机
伺服电机
直流有刷电机
直流无刷电机
非标加工
铝板
铝轮
铝型材
您可以委托我们进行标准机器人底盘的改造以便更加符合您的产品使用要求,还可以帮助实现上装设备的安装,由于底盘业务经验丰富以及自建柔性制造工厂,我们的团队十分擅长这一领域,欢迎与我们的团队建立合作。
解决方案
新闻中心
联系我们
机器人底盘
机器人行业应用
周边机器人生态
铝件产品
中国(山东)自由贸易试验区济南片区港兴路9号
‹
›
留言咨询
关联商品推荐
CONTACT US
Please use the form below to get in touch. If you need a reply we will get in touch as soon as possible.