产品中心
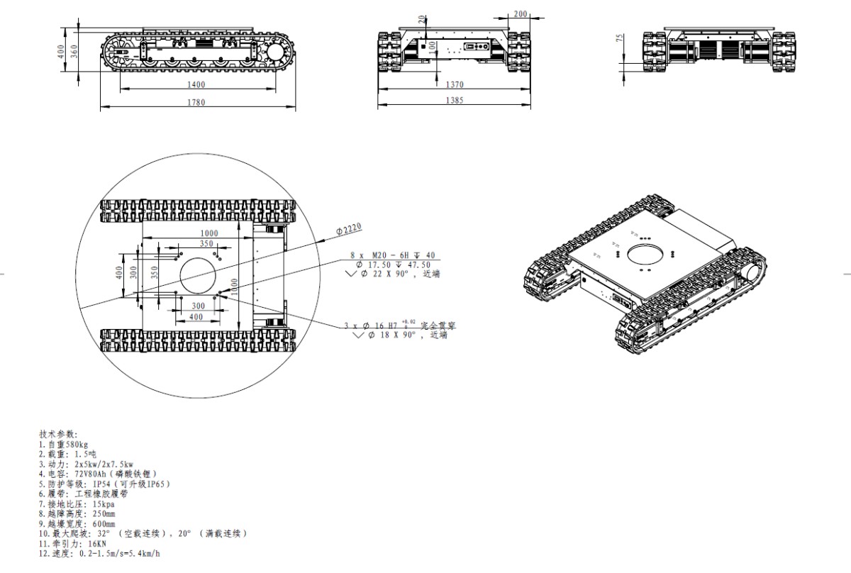
WK-15履带式机器人底盘专为大负载复杂场景打造,采用双电机差速驱动,搭载带高精度编码器的直流电机与全接口坚动器,动力强劲、控制精准。
工程履带适配多路况且免维护,支持全场景定制与外观工业设计,广泛应用于无人运输、工业焊接等特种机器人领域。

留言咨询
关联商品推荐
CONTACT US
Please use the form below to get in touch.
If you need a reply we will get in touch as soon as possible.